jc聚彩

PL单机除尘器-PL单机除尘器技术参数-宏大除尘设备

||资讯| 网站地图
宏大除尘设备,除尘器,除尘配件
热门点击: 布袋除尘器|气箱除尘器|脉冲除尘器|旋风除尘器|单机除尘器|行业除尘器|除尘器配件|除尘布袋|
PL单机除尘器技术参数
发布时间:2016/11/21 16:39:06 来源:宏大除尘设备

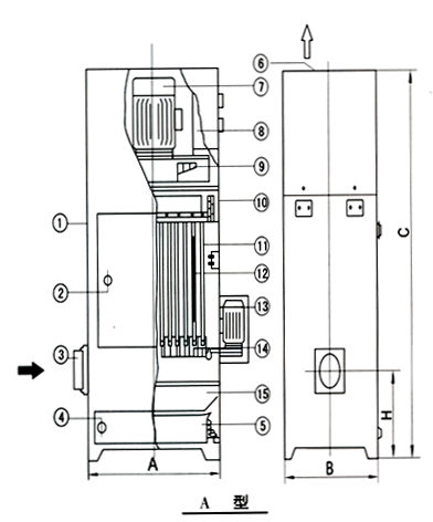
                                                                       PL-B型系列单机除尘设备技术性能

型号规格
PL-800/B
PL-1100/B
PL-1600/B
PL-2200/B

风量M3/H

800

1100

1600

2200
资用力MMH2O

>80

>85

>85

>100

过滤面积M2

4

7

10

12
风机电机功率KW

1.1

1.5

2.2

3

清灰电机功率KW

0.18

0.18

0.18

0.18

过滤风速M/MiN

3.33

2.62

2.66

3.05
净化效率%

>99.5

>99.5

>99.5

>99.5
db(A)

<75

<75

<75

<75
外形尺寸A×B×CMM
530×520×1040
700×580×1100
740×580×1240
720×660×1330
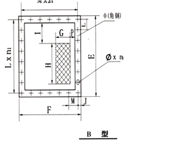
底法兰寸E×FMM
598×588
768×648
826×666
806×746
 KG
280
330
470
600

注:1.货用压力即机真空度,系指机器可供使用的压力,是机器进气口实测静压的_值。
2.净化效率大于99.5%是用于中位径100的滑石粉测定数值,测定值_为99.62%,平均为99.6。
3.机器风量是在资用压力时的吸风量。

PL-B型系列单机除尘设备技术性能

型号规格
项 目

PL-2700/B

PL-3200/B

PL-4500/B

PL-6000/B

风量M3/H

2700

3200

4500

6000-8000

资用压力MMH2O

>120

>100

>100

>150-120

过滤面积M2

13.6

15.3

21.5

25

风机电机功率KW

4

4

5.5

7.5

清灰电机功率KW

0.18

0.18

0.37

0.55

过滤风速M/MiN

3.30

3.48

3.40

3.33-4.5

净化效率%

>99.5

>99.5

>99.5

>99.5

db(A)

<75

<75

<75

<80

外形尺  寸A×B×CMM
760×680×1380
790×700×1420
900×800×1550
1200×900×1720
底法兰尺寸E×FMM

864×784

894×804

1004×905

1102×1002

 KG

520

615

815

1190

注:1.货用压力即机真空度,系指机器可供使用的压力,是机器进气口实测静压的_值。
2.净化效率大于99.5%是用于中位径100的滑石粉测定数值,测定值_为99.62%,平均为99.6
3.机器风量是在资用压力时的吸风量。

PL-A型系列单机除尘设备技术性能

型号规格

PL-800/A

PL-1100/A

PL-1600/A

PL-2200/A

风量M3/H

800

1100

1600

2200

资用压力MMH2O

80

85

85

100

过滤面积M2

4

7

10

12

进气口尺寸mm

Φ120

Φ140

Φ150

Φ200

进气口中心离底距H

318

345

418

433

风机电机功率KW

1.1

1.5

2.2

3

清灰电机功率KW

0.18

0.18

0.18

0.18

过滤风速M/MiN

3.33

2.62

2.66

3.05

净化效率%

>99

>99

>99

>99

灰箱容积(1)

20

30

40

40

 dB(A)

75

75

75

75

外形尺寸A×B×Cmm
530×520×1300
700×580×1400
740×580×1913
720×630×1696
Kg

400

550

600

730

PL-A型系列单机除尘设备技术性能

型号规格
项 目

PL-2700/A

PL-3200/A

PL-4500/A

PL-6000/A

风量M3/H

2700

3200

4500

6000-8000

资用压力MMH2O

120

100

100

150-120

过滤面积M2

13.6

15.3

21.5

30

进气口尺寸mm

200×250

200×300

200×350

220×450

进气口中心离底距H

458

478

478

1295

风机电机功率KW

4

4

5.5

7.5

清灰电机功率KW

0.18

0.18

0.18

0.55

过滤风速M/MiN

3.30

3.48

3.49

3.33×4.5

净化效率%

>99

>99

>99

99.5

灰箱容积(1)

55

55

70

105

  噪声dB(A)

<75

<75

<75

<80

外形尺寸A×B×Cmm
760×680×1798
790×700×1888
  900800×2028

120×900

  重 量Kg

850

980

1040

1200

  主要尺寸:
 

相关产品products list

烘干机除尘器-烘干机除尘设备-除尘配件
烘干机废气含尘浓度高,水份大,露点高,易结露,排放范围广是除尘的难点。宏大烘干机除尘器,烘干机除尘设备,除尘配件_化程度高,我公司根据多年的技术经验,考虑到烘干机尾气排放与各厂工艺条件有关,有的企业用于各种工业材料的烘干,生产变化大,开关机频率高,波动大,若用煤做烘干热源,废气中硫的氧化物对金属结构有很大的腐蚀,给除尘器的选用带来较大的困难。
陶瓷厂修边机除尘器-除尘设备
陶瓷厂修边机除尘器陶瓷行业中,干式磨边机打磨或切割时粉尘较大,粉尘需要净化,须安装气箱式脉冲袋式除尘器,除尘设备是一种除尘效率高的、经济可靠的除尘设备,主要适用于陶瓷行业、陶瓷干式磨边机切割、陶瓷原料筛分等的除尘净化。其除尘效率可达到99.99%。
布袋除尘器-布袋式除尘器-袋式除尘器
把粉尘从烟气中分离出来的设备叫除尘器或除尘设备。布袋式除尘器的除尘机理很简单,布袋除尘器与口罩的除尘机理一样,是通过滤材料对烟气中飞灰颗粒的机械拦截来实现的。但除此之外,先收到的飞灰颗粒在滤料表面还形成了一层稳定的稠密的灰层,它又起到了很好的过滤作用,特别是用编制布做滤袋的除尘设备,这层滤床起到了主要的过滤作用。
企业简介|工程实例|生产场景|公司业绩|主要客户|联系方式| 网站地图
公司名称:泊头市宏大除尘设备制造有限公司 公司地址:泊头市开发区环城东路南首1号 电话:0317-8392799 8162866 传真:0317-8392977 
手机:18931764475 网址:http://die-youxin.com 
宏大除尘设备 2014(C)版权所有 并对网站所有内容保留解释权  
网站建设:中科四方