jc聚彩

防爆袋式除尘器|_布袋除尘器|脉冲除尘器-MDC.PDC煤磨防爆._布袋除尘器-宏大除尘设备

||资讯| 网站地图
宏大除尘设备,除尘器,除尘配件
热门点击: 布袋除尘器|气箱除尘器|脉冲除尘器|旋风除尘器|单机除尘器|行业除尘器|除尘器配件|除尘布袋|
防爆袋式除尘器-_布袋除尘器-脉冲除尘器
MDC.PDC煤磨防爆._布袋除尘器
MDC防爆袋式除尘器采用_滤料,机体具有防爆结构,并设有泄压装置,具有防爆性能,_布袋除尘器适用于煤粉制备系统以易燃、易爆粉尘的收集,该设备机械动作部件少,维修工作量小,换袋方便
产地:河北省>泊头市
供应商:泊头市宏大除尘设备制造有限公司
技术咨询热线:
13785759289

MDC.PDC煤磨防爆._布袋除尘器详细内容介绍information

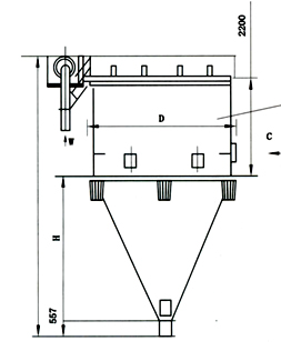
       MDC防爆型袋收尘器和PDC普通型袋收尘器是建材局合肥水泥研究设计院新研制的一种_收尘器,该设备的研制是在吸取国外同类设备_经验的基础上,结合国内具体情况而完成的。MDC防爆型袋收尘器采用负压工作,用于煤磨系统收尘在江苏坯县水断绝厂投运成功,是“七·五”期间科技攻关项目
        MDC防爆型袋收尘器采用_滤料,机体具有防爆结构,并设有泄压装置,具有防爆性能,适用于煤粉制备系统以易燃、易爆粉尘的收集,该设备机械动作部件少,维修工作量小,换袋方便,由于采用脉动分室清灭,收尘效率高,能够长期、稳定运行,收尘效率在99.8%以上。PDC普通型收尘器除设有防爆性能外,具有上述同样优点。可以广泛地应用于水泥、电力、冶金、化工等工作废气的收尘。如水泥磨、生料磨、矿山破碎、物料提升、运输等扬尘点的收尘均可使用。

项目
规格
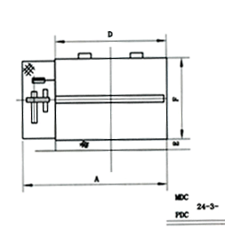
MDC24-3
PDC24-3
MDC31-3
PDC31-3
MDC42-3
PDC42-3
MDC56-3
PDC56-3
MDC52-4
PDC52-4
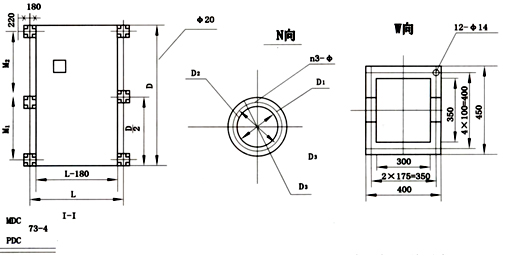
MDC73-4
PDC73-4
处理风量(m3/h)
3500~4375
4500~5625
6000~7500
8000~10020
10000~12500
14000~17500
过滤面积(m2)
73
94
125
167
208
292
单元数
3
3
3
3
4
4
滤袋总条数
24
24
24
30
40
40
过滤风速(m/min)
0.8~1.0
收尘器阻力(Pa)
~1200
除尘效率(%)
>99.8
适用温度(℃)
<110
设备重量(T)
3.97
4.54
4.64
5.29
6.61
7.94
备注

1.设备重量不包括保温层重量
2.MDC X1-X2
MDC:煤磨型袋收尘器
X1:单室过滤面积整数值
jc聚彩 X2:室数



项目
规格
MDC75-5
PDC75-5
MDC76-6
PDC76-6
MDC77-7
PDC77-7
MDC89-7
PDC89-8
MDC47-16
PDC47-16
处理风量(m3/h)
18000~22500
22000~27500
26000~32500
30000~37500
36000~45000
过滤面积(m3)
375
458
542
625
750
单元数
5
6
7
7
16
滤袋总条数
50
60
70
70
80
过滤风速(m/min)
0.8~1.0
收尘器阻力(Pa)
~1200
除尘效率(%)
>99.8
适用温度(℃)
<110
设备重量(T)
10.58
11.96
14.61
17.25
19.84
备注

PDC X1-X2
PDC:普通型收尘器
X1:单室过滤面积整数值
X2:室数


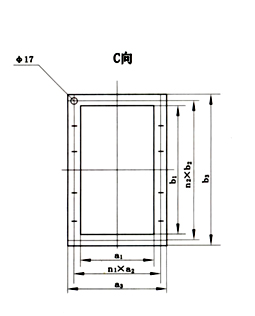
主要尺寸:

相关产品products list

除尘布袋-布袋除尘器布袋
除尘布袋堪称袋式除尘器的心脏,除尘布袋是袋式除尘器运行过程中的关键部分,通常圆筒型滤袋垂直地悬挂在除尘器中。
DMF-T-62直通式脉冲阀-直通式电磁脉冲阀
宏大生产的DMF-T-62直通式脉冲阀阀其进出口中心为同一直线,其进气口与储气管连接、出气口与喷吹管连接,气流畅通,能提供符合要求的脉冲气流 。DMF-T-62S直通阀的特点:直通式电磁脉冲阀的构造特点是空气进出口中心线在一条直线上,脉冲阀膜片把脉冲阀分为前,直通式脉冲阀后两个气室,接通压缩空气时脉冲阀处于关闭状态,开启动作原理与直角阀相同,只是气流喷射时的流动方向。
DMF-Z-65s电磁脉冲阀-5寸直角型脉冲电磁阀
RMF-Z-65S直角式脉冲阀是2.5寸直角型脉冲电磁阀,进气口和出气口之间的夹角为90度,RMF-Z-65S直角式脉冲阀适合于储气筒和除尘器喷吹管的连接。电压可分为:AC110V/AC220V/DC24V等。
企业简介|工程实例|生产场景|公司业绩|主要客户|联系方式| 网站地图
公司名称:泊头市宏大除尘设备制造有限公司 公司地址:泊头市开发区环城东路南首1号 电话:0317-8392799 8162866 传真:0317-8392977 
手机:18931764475 网址:http://die-youxin.com 
宏大除尘设备 2014(C)版权所有 并对网站所有内容保留解释权  
网站建设:中科四方