jc聚彩

PL单机除尘器|PL单机布袋除尘器|PL单机脉冲除尘器-PL单机除尘器-宏大除尘设备

||资讯| 网站地图
宏大除尘设备,除尘器,除尘配件
热门点击: 布袋除尘器|气箱除尘器|脉冲除尘器|旋风除尘器|单机除尘器|行业除尘器|除尘器配件|除尘布袋|
PL单机除尘器-PL单机布袋除尘器-PL单机脉冲除尘器
PL单机除尘器
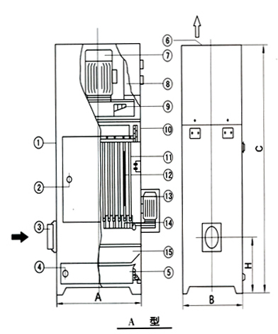
PL单机除尘器/PL单机脉冲除尘器基本结构由风机、过滤器和集尘器三个部件组成,PL单机布袋除尘器各部件都安装在一个立式框架内,钢板壳体,外形美观,结构科学,运行可靠,使用方便。
产地:河北省>泊头市
供应商:泊头市宏大除尘设备制造有限公司
技术咨询热线:
13785759289

PL单机除尘器详细内容介绍information

 

PL-B型系列单机除尘设备技术性能 jc聚彩

    型号规格
PL-800/B
PL-1100/B
PL-1600/B
PL-2200/B

风量M3/H

800

1100

1600

2200
资用力MMH2O

>80

>85

>85

>100

过滤面积M2

4

7

10

12
风机电机功率KW

1.1

1.5

2.2

3

清灰电机功率KW

0.18

0.18

0.18

0.18

过滤风速M/MiN

3.33

2.62

2.66

3.05
 净化效率%

>99.5

>99.5

>99.5

>99.5
 db(A)

<75

<75

<75

<75
 外形尺寸A×B×CMM
530×520×1040
700×580×1100
740×580×1240
720×660×1330
底法兰寸E×FMM
598×588
768×648
826×666
806×746
  KG
280
330
470
600

注:1.货用压力即机真空度,系指机器可供使用的压力,是机器进气口实测静压的_值。
2.净化效率大于99.5%是用于中位径100的滑石粉测定数值,测定值_为99.62%,平均为99.6。
3.机器风量是在资用压力时的吸风量。

PL-B型系列单机除尘设备技术性能

    型号规格
项 目

PL-2700/B

PL-3200/B

PL-4500/B

PL-6000/B

风量M3/H

2700

3200

4500

6000-8000

资用压力MMH2O

>120

>100

>100

>150-120

过滤面积M2

13.6

15.3

21.5

25

风机电机功率KW

4

4

5.5

7.5

清灰电机功率KW

0.18

0.18

0.37

0.55

过滤风速M/MiN

3.30

3.48

3.40

3.33-4.5

净化效率%

>99.5

>99.5

>99.5

>99.5

 db(A)

<75

<75

<75

<80

外形尺  寸A×B×CMM
760×680×1380
790×700×1420
900×800×1550
1200×900×1720
底法兰尺寸E×FMM

864×784

894×804

1004×905

1102×1002

  KG

520

615

815

1190

注:1.货用压力即机真空度,系指机器可供使用的压力,是机器进气口实测静压的_值。
2.净化效率大于99.5%是用于中位径100的滑石粉测定数值,测定值_为99.62%,平均为99.6
3.机器风量是在资用压力时的吸风量。

PL-A型系列单机除尘设备技术性能

    型号规格

PL-800/A

PL-1100/A

PL-1600/A

PL-2200/A

风量M3/H

800

1100

1600

2200

资用压力MMH2O

80

85

85

100

过滤面积M2

4

7

10

12

进气口尺寸mm

Φ120

Φ140

Φ150

Φ200

进气口中心离底距H

318

345

418

433

风机电机功率KW

1.1

1.5

2.2

3

清灰电机功率KW

0.18

0.18

0.18

0.18

过滤风速M/MiN

3.33

2.62

2.66

3.05

净化效率%

>99

>99

>99

>99

灰箱容积(1)

20

30

40

40

  dB(A)

75

75

75

75

 外形尺寸A×B×Cmm
530×520×1300
700×580×1400
740×580×1913
720×630×1696
Kg

400

550

600

730

PL-A型系列单机除尘设备技术性能jc聚彩

    型号规格
项 目

PL-2700/A

PL-3200/A

PL-4500/A

PL-6000/A

风量M3/H

2700

3200

4500

6000-8000

资用压力MMH2O

120

100

100

150-120

过滤面积M2jc聚彩

13.6

15.3

21.5

30

进气口尺寸mmjc聚彩

200×250

200×300

200×350

220×450

进气口中心离底距H

458

478

478

1295

风机电机功率KW

4

4

5.5

7.5

清灰电机功率KW

0.18

0.18

0.18

0.55

过滤风速M/MiN

3.30

3.48

3.49

3.33×4.5

净化效率%jc聚彩

>99

>99

>99

99.5

灰箱容积(1)

55

55

70

105

  噪声dB(A)

<75

<75

<75

<80

 外形尺寸A×B×Cmm
760×680×1798
790×700×1888
  900800×2028

120×900jc聚彩

  重 量Kg

850

980

1040

1200

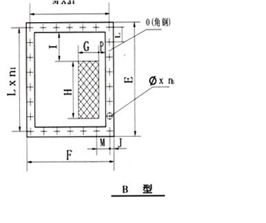
单机除尘设备 单机除尘设备 单机除尘设备尺寸
单机除尘设备组成
  主要尺寸:

单机除尘设备型号
 

相关产品products list

除尘布袋-布袋除尘器布袋
除尘布袋堪称袋式除尘器的心脏,除尘布袋是袋式除尘器运行过程中的关键部分,通常圆筒型滤袋垂直地悬挂在除尘器中。
DMF-T-62直通式脉冲阀-直通式电磁脉冲阀
宏大生产的DMF-T-62直通式脉冲阀阀其进出口中心为同一直线,其进气口与储气管连接、出气口与喷吹管连接,气流畅通,能提供符合要求的脉冲气流 。DMF-T-62S直通阀的特点:直通式电磁脉冲阀的构造特点是空气进出口中心线在一条直线上,脉冲阀膜片把脉冲阀分为前,直通式脉冲阀后两个气室,接通压缩空气时脉冲阀处于关闭状态,开启动作原理与直角阀相同,只是气流喷射时的流动方向。
DMF-Z-65s电磁脉冲阀-5寸直角型脉冲电磁阀
RMF-Z-65S直角式脉冲阀是2.5寸直角型脉冲电磁阀,进气口和出气口之间的夹角为90度,RMF-Z-65S直角式脉冲阀适合于储气筒和除尘器喷吹管的连接。电压可分为:AC110V/AC220V/DC24V等。
企业简介|工程实例|生产场景|公司业绩|主要客户|联系方式| 网站地图
公司名称:泊头市宏大除尘设备制造有限公司 公司地址:泊头市开发区环城东路南首1号 电话:0317-8392799 8162866 传真:0317-8392977 
手机:18931764475 网址:http://die-youxin.com 
宏大除尘设备 2014(C)版权所有 并对网站所有内容保留解释权  
网站建设:中科四方