jc聚彩

PPW分室反吹布袋除尘器|PPW分室反吹袋式除尘器|脉冲布袋除尘器-PPW分室反吹布袋除尘器-宏大除尘设备

||资讯| 网站地图
宏大除尘设备,除尘器,除尘配件
热门点击: 布袋除尘器|气箱除尘器|脉冲除尘器|旋风除尘器|单机除尘器|行业除尘器|除尘器配件|除尘布袋|
PPW分室反吹布袋除尘器-PPW分室反吹袋式除尘器-脉冲布袋除尘器
PPW分室反吹布袋除尘器
PPW分室反吹布袋除尘器,集合分室风机反吹和喷吹脉冲等诸类除尘器的优点,克服了分室反吹时动能强度不够的缺点,因而扩大了PPW分室反吹袋式除尘器的使用范围,提高了除尘效率,延长了滤袋使用寿命。
产地:河北省>泊头市
供应商:泊头市宏大除尘设备制造有限公司
技术咨询热线:
13785759289

PPW分室反吹布袋除尘器详细内容介绍information

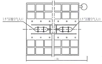
气箱脉冲布袋除尘器本体分隔成数个箱区,每箱有32、64、96、128等条袋子。并在每箱侧边出口管道上有一个气缸带动的提升阀。当 除尘器过滤含尘气体一段时间后(或阻力达到预先设定值),清灰控制器_发出信号。前面一个箱室的提升阀_开始关闭以切断过滤气流。 然后这个箱的脉冲阀开启,以大于5kg/cm2的压缩空气冲入净气室,吹掉滤袋上的粉尘。当这个动作完成后(大约6~15秒时间),提升阀 重新打开,使这个箱室重新进行过滤工作,并逐一按上述要求进行以至全部清灰完毕。气箱脉
 冲布袋除尘器,是采用分箱式清灰的,清灰时, 逐箱隔离、轮换进行。

        气箱脉冲布袋除尘器各除尘室的脉冲喷吹宽度和清灰周期,由清灰程序控制器自动连续进行,从而_了压缩空气清灰的效果,整个箱体

设计利用了进口和出口总管结构,灰斗可延伸到进口总管下。使进入的含尘烟气直接进入已扩大的灰斗内达到预收的效果,且能去掉易出现
堵塞的水平直管。所以,气箱脉冲布袋除尘器不仅能处理一般浓度的含尘气体,且能处理达1300mg/m3n的高浓度含尘气体。
该除尘器,由于采用整箱大脉冲阀2寸半(英寸)反吹喷射清灰,换袋时,打开顶部盖子,直接抽出滤袋即可,维护简单、方便。

1、型号说明

2、选型参数及选型原则
jc聚彩 (1)除尘器选型的主要技术参数为风量、气体温度、含尘浓度与湿度。根据工艺设计的风量、气体温度、含尘浓度的数值大小,按略小于

技术性能表中的数值为原则,其相对应的除尘器型号,即为所需要的除尘器型号,采用的滤料则根据入口浓度、气体温度、湿含量确定。
(2)表中的耗气量为工厂集中供气时的情况,如单独使用空压机时,表中的耗气量要放大1.3倍。
(3)压缩空气耗量栏中,所提出的耗气量为该型号设备的耗气量。
(4)浓度<100g/m3n选型风量采用表中B行风量。
(5)在PPW128系列中可根据工艺需要设置除尘器下灰斗出料系统,如可以采用空气输送斜槽等,本图中采用的是螺旋输送机。
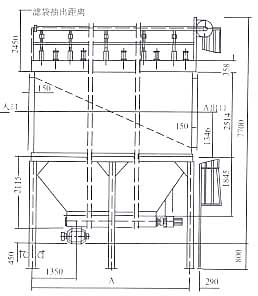
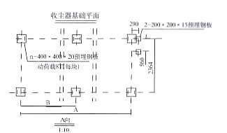
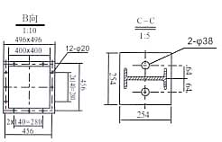
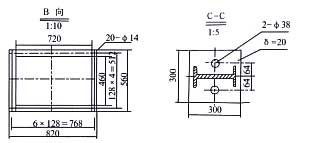
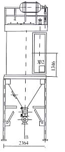
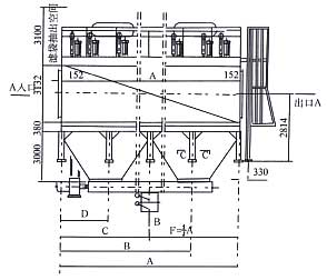
3、设备外形及基础(见附图),我公司还可根据用户场地情况设计符合用户要求外形的除尘器。

订货须知
jc聚彩 我厂提供的产品不含除尘器三口(进气口、排气口、排灰口)以外的部分。如主排风机、非标管道、保温材料、空气压缩机、输送设备安装及电线

电缆等,如用户需要,我厂可代为办理。
1.供货范围
(1)除尘器本体一台(套)
(2)除尘器滤袋一套
(3)微机控制装置电气控制柜一台(套) 
(4)锁风装置一台(套)
(5)压气系统元件一台(套)
2.服务方式
(1)负责指导安装,质量检测和跟踪,培训岗位工人和相关技术人员。
(2)负责调试达标。
(3)建立长期服务网店,长期提供易损的配备件并随时到厂为用户解决相关问题,并提供相关技术咨询。
(4)如我们样本中的定型产品不能满足工艺要求时,可根据用户提出的要求,对除尘器进行特殊设计制造。
3.提供的资料
(1)提供除尘器安装调试说明书
(2)提供除尘器使用说明书
(3)提供除尘器微机装置接线图
(4)提供除尘器微机装置操作说明书
(5)提供发货清单
(6)提供产品合格证书
PPW32
-3
PPW32
-4
PPW32
-5
PPW32
-6
PPW64
-3
PPW64
-5
PPW64
-6
PPW64
-7
处理风量(m3/h) A >100g/mn3
B ≤100g/mn3
5000 6500 9000 11500 13000 18000 22000 26000
6900 8030 11160 13390 17800 22300 26700 31200
过滤风速(m/min)
1.0~1.2
总过滤面积(m2 96 128 160 192 256 320 384 448
净过滤面积(m2 64 96 128 160 192 256 320 384
收尘器室数(个) 3 4 5 6 4 5 6 7
滤袋总数(条) 96 128 160 192 256 320 320 384
448收尘器阻力(Pa)
1500~1700
出口气体含尘浓度(mg/m3n <50
设备总重(kg) 2400 3400 4400 5400 6900 8800 9700 11800


PPW96-5 PPW96-6 PPW96-7 PPW96-8
PPW9
-6-9
PPW96
-2×5
PPW96
-2×6
PPW96
-2×7
PPW96
-2×8
PPW96
-2×9
PPW96
-2×10
处理风量(m3/h) A >100g/mn3
B ≤100g/mn3
2600 33000 40000 46000 5200 6000 70000 85000 95000 110000 120000
33400 40100 46800 53300 60100 66900 80700 94100 107600 121000 134500
过滤风速(m/min)
1.0~1.2
总过滤面积(m2 480 576 672 768 864 960 1152 1344 1536 1728 1920
净过滤面积(m2 384 480 576 472 768 864 1056 1248 1440 1632 1824
收尘器室数(个) 5 6 7 8 9 10 12 14 16 18 20
滤袋总数(条) 480 576 672 768 864 960 1152 1344 1536 1728 1920
448收尘器阻 力(Pa)
1500~1700
出口气体含尘浓度(mg/m3n <50
设备总重(kg) 11800 13500 15200 18000 19600 21000 25200 29400 33600 37800 42000

 PPW128
-2×6
PPW128
-2×7
PPW128
-2×8
PPW128
-2×9
PPW128
-2×10
PPW128
-2×11
PPW128
-2×12
PPW128
-2×13
PPW128
-2×14
处理风量(m3/h) A >100g/mn3
B ≤100g/mn3
9500 114000 130200 146500 162800 179000 195400 211600 228000
134600 157000 179400 201900 224300 247600 269100 291600 314000
过滤风速(m/min)
1.0~1.2
总过滤面积(m2 1536 17923 2048 2304 2560 2816 3072 3328 3584
净过滤面积(m2 1408 1664 1920 2176 2432 2658 2944 3200

3

收尘器室数(个) 12 14 16 18 20 22 24 26  
滤袋总数(条) 1536 1792 2048 2304 2560 2816 3072 3328 4528
448收尘器阻 力(Pa)
1500~1700
出口气体含尘浓度(mg/m3n <50
设备总重(kg) 36600 43900 50000 55400 60000 62400 72000 78000 84000
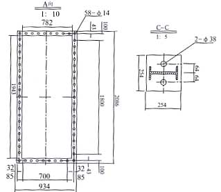
PPW96-2系列气箱脉冲袋收尘器外形图
PPW96-2×5 PPW96-2×6 PPW96-2×7 PPW96-2×8 PPW96-2×9 PPW96-2×10
A 6100 7320 8540 9760 10980 12200
B 7600 8820 10040 11260 12480 13700
C 3050 3660 4270 3253 3660 4067
n 12 12 12 16 16 16
n1 2 2 2 3 3 3

PPW64系列气箱脉冲袋收尘器外形图

PPW64-4 PPW64-5 PPW64-6 PPW64-7
A 4880 6100 7320 8540
B - 3050 3660 4270
C 6380 7600 8820 10040
D 4 6 6 6

PPW96系列气箱脉冲袋收尘器外形图

PPW96-5 PPW96-6 PPW96-7 PPW96-8 PPW96-9
A 6100 7320 8540 9760 10980
B 7600 8820 10040 11260 12480
C 3050 3660 4270 3253 3660
n 6 6 6 8 8
n1 2 2 2 3 3

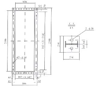
PPW128系列气箱脉冲袋收尘器外形图


 

PPW128-
2×6
PPW128-
2×7
PPW128-
2×8
PPW128-
2×9
PPW128-
2×10
PPW128-
2×11
PPW128-
2×12
PPW128-
2×13
PPW128-
2×14
A732085409760109801220013420146401586017080
B-4876626035008200892073201736012880
C36604270----350040008540
D--320012480400045001114079304200
E882010040112607480137001492016140186018580
N12121616161620

相关产品products list

除尘布袋-布袋除尘器布袋
除尘布袋堪称袋式除尘器的心脏,除尘布袋是袋式除尘器运行过程中的关键部分,通常圆筒型滤袋垂直地悬挂在除尘器中。
DMF-T-62直通式脉冲阀-直通式电磁脉冲阀
宏大生产的DMF-T-62直通式脉冲阀阀其进出口中心为同一直线,其进气口与储气管连接、出气口与喷吹管连接,气流畅通,能提供符合要求的脉冲气流 。DMF-T-62S直通阀的特点:直通式电磁脉冲阀的构造特点是空气进出口中心线在一条直线上,脉冲阀膜片把脉冲阀分为前,直通式脉冲阀后两个气室,接通压缩空气时脉冲阀处于关闭状态,开启动作原理与直角阀相同,只是气流喷射时的流动方向。
DMF-Z-65s电磁脉冲阀-5寸直角型脉冲电磁阀
RMF-Z-65S直角式脉冲阀是2.5寸直角型脉冲电磁阀,进气口和出气口之间的夹角为90度,RMF-Z-65S直角式脉冲阀适合于储气筒和除尘器喷吹管的连接。电压可分为:AC110V/AC220V/DC24V等。
企业简介|工程实例|生产场景|公司业绩|主要客户|联系方式| 网站地图
公司名称:泊头市宏大除尘设备制造有限公司 公司地址:泊头市开发区环城东路南首1号 电话:0317-8392799 8162866 传真:0317-8392977 
手机:18931764475 网址:http://die-youxin.com 
宏大除尘设备 2014(C)版权所有 并对网站所有内容保留解释权  
网站建设:中科四方