简介UF单机除尘器(Unl-Filter)系引进国外技术,UF单机除尘器具有八十年代技术水平的小型袋收尘器。这种小型袋式收尘器经济实用;结构简单紧凑,安装容易,维修方便(内滤式)主要用于库顶、库底、仓顶及各种输送机等排放和扬尘点收尘,该机采用涤纶布袋,入口温度<120℃除尘效果达99.8%。如有特殊用途可提供耐温,_滤料的单机袋收尘器。
UF-STD、FM、FB型系列单机袋收尘器
型号说明
UF(STD)/(FM)/(FB)-m-n
U:单机(Unit)
F:收尘器(FUtey)
(STD)/(FM)/(FB):安装型号
m:规格号
n:多机组合时的单元数
UF单机除尘器技术性能
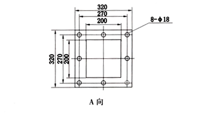
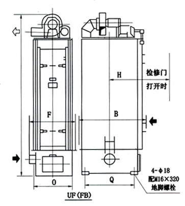
UF单机除尘器主要尺寸:
‘

’